21500 кг
6750 х 2150 х 3450 мм
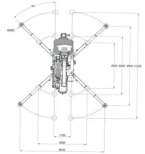
31.8 м
34.5 м
Сроки и стоимость доставки оборудования складывается из нескольких факторов, таких как наличие на складе Арлифт, наличие на складе поставщика, конечный пункт доставки. Всю информацию необходимо уточнять перед покупкой.
Безналичным расчетом для юридических лиц.
Стоимость и сроки доставки рассчитываются отдельно и зависят от региона и страны, а также наличия нужного количества товара на складе. Точную стоимость и сроки поставки уточняйте перед арендой или покупкой.
Для срочных заказов в случае аренды оборудования возможна доставка день в день.
В остальных случаях доставка по городу осуществляется не ранее, чем на следующий день после оформления заказа и при наличии товара на складе. В случае безналичной оплаты доставка осуществляется на следующий день после того, как деньги поступили на расчетный счет компании.
Стоимость и сроки доставки рассчитываются отдельно и зависят от региона и страны, а также наличия нужного количества товара на складе. Точную стоимость и сроки поставки уточняйте перед арендой или покупкой.
Решаемые задачи
Функциональные преимущества
Подобные модели
Купить Мини-кран JF990 для строительства , а также другие Мини-краны по выгодным ценам от компании ARLIFT в Красноярске.
Подробные технические характеристики, инструкции по управлению и примеры решаемых задач, помогут Вам сделать правильный выбор и быстро оформить аренду необходимой спецтехники.
Заказать и оплатить можно онлайн на сайте ARLIFT с доставкой от 1 дня в Красноярске, а также по территории Российской Федерации и Казахстана (доставка Арлифт или другой транспортной компанией).


